產品檢驗

 

                       

 

建築新技術、新工法、新設備及新材料認可通知書  

        

不含石棉成份(CNS13970試驗)

 

 

 

 

 

 

                             

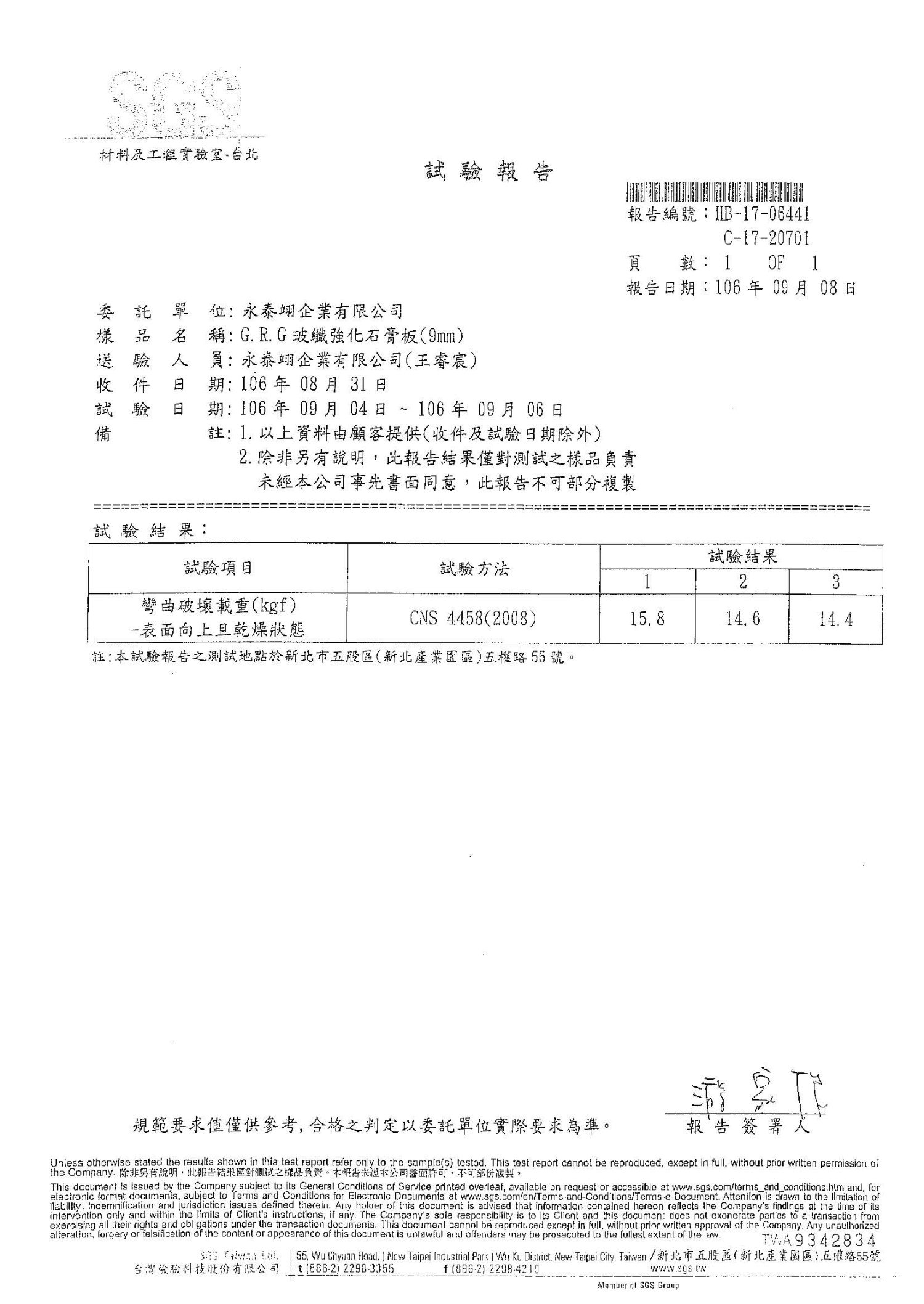
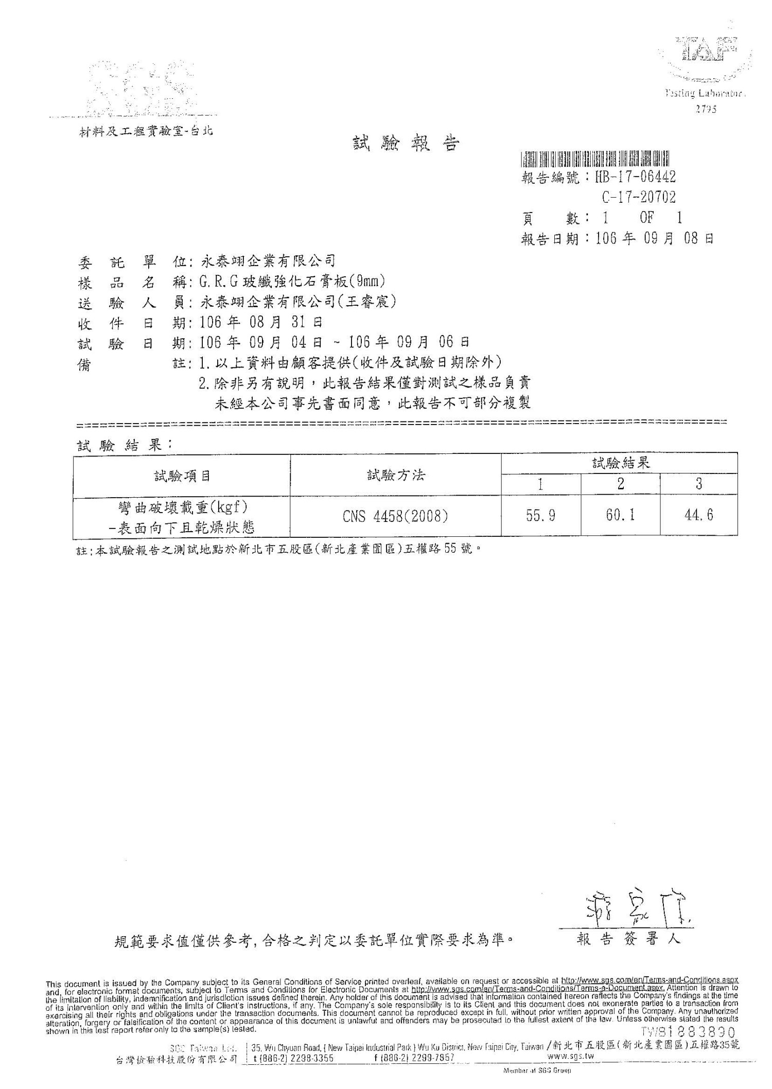
                   彎曲破壞載重,面向上13.5kgf,面向下40kgf (CNS4458試驗)

                 

                     

                    

                                        熱傳導率0.3W/(m‧K)(ASTM C518試驗)

             

                   

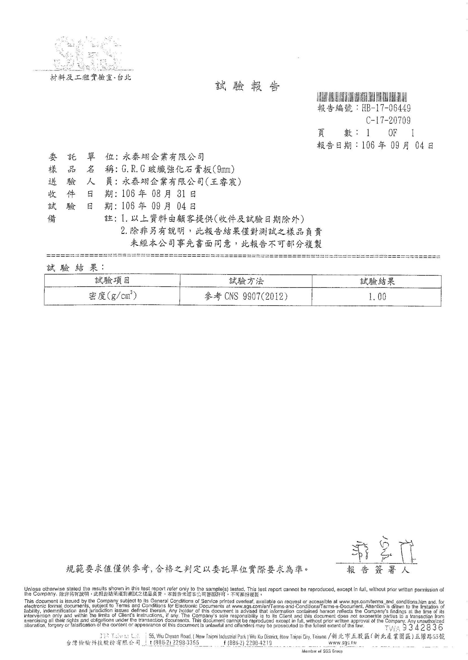
                                       密度0.9g/m3 (CNS 9907試驗)